Thông số kỹ thuật Module điều khiển ngõ ra có điện áp – DCP-SOM-R
• UL 864 Phiên bản thứ 9 được liệt kê
• Ứng dụng Pre-Action linh hoạt
• Phản ứng nhanh với các điều kiện khẩn cấp
• Các thông số vận hành được duy trì bởi mô-đun và không cần giao tiếp cá nhân với hệ thống điều khiển trong điều kiện khẩn cấp
• Danh bạ được xếp hạng 2.0 Amps @ 24VDC
• Lập trình rất linh hoạt cung cấp 16 trạng thái ưu tiên cộng với khả năng phân vùng
• Đèn LED sẽ nhấp nháy màu đỏ hoặc xanh lục
• Đầu ra thiết bị được lập trình bị tắt, tắt tiếng hoặc được lập trình để hoạt động liên tục

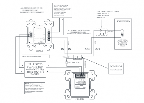
DCP-SOM-R yêu cầu nguồn điện 24 VDC từ nguồn cung cấp được điều chỉnh theo quy định của UL1481. Nguồn điện 24 VDC được giám sát bởi DCP-SOM-R. Một thiết bị cuối dòng (EOLD) được bao gồm để giám sát cuộn dây đầu ra và cuộn dây điện từ. DCP-SOMR phải được xử lý từ 1 – 127 trước khi cài đặt trên vòng SLC.







