Thiết bị của Hochiki DCP-SOM-A/AI là dòng module điều khiển ngõ ra, Kiểu A/B, 24VDC. Thường dùng kết nối chuông, còi, đèn chớp, relay…. điều khiển thiết bị ngoại vi, thang máy, quạt, tủ điện…..Với khả năng tiêu biểu là giám sát ngắn mạch, hở mạch đảm bảo tính năng đáp ứng nhanh các điều kiện khẩn cấp. Dưới đây là hướng dẫn lắp đặt thiết bị này của chúng tôi,
Hướng dẫn lắp đặt module điều khiển chuông DCP-SOM-A/AI Hochiki
Ưu điểm khi sử dụng module DCP-SOM-A/AI
– Ứng dụng linh hoạt.– Đáp ứng tình trạng khẩn cấp nhanh.– Thông số hoạt động được Module duy trì và liên lạc riêng biệt với hệ thống kiểm tra trong suốt tình trạng khẩn cấp là không cần.– Các tiếp xúc được định mức dòng 2.0Ampe @ 30 DVC .– Lập trình rất linh hoạt, với 16 trạng thái ưu tiên cộng với khả năng khoanh vùng.– Đèn LED nháy màu đỏ và màu xanh lá– Ngõ ra thiết bị được lập trình “tắt”, “ im lặng”, hoặc lập trình theo mẫu điều chỉnh.
Thông số kỹ thuật
– Có mạch cách ly (chỉ dành cho SOM-AI).
– Linh hoạt trong sử dụng để điều khiển thiết bị.
– Phản ứng nhanh với trường hợp khẩn cấp.
– Ngõ ra cung cấp điện áp 2 Amp@30VDC.
– Lập trình rất linh hoạt, với 16 trạng thái ưu tiên cộng với khả năng phân vùng.
– Ngõ ra thiết bị có thể được lập trình “tắt”, “ im lặng”, hoặc lập trình theo kểu tùy chọn.
– Đạt chuẩn UL 864.Chú ý
Module giám sát đầu ra (SOM) được thiết kế để cung cấp sự chuyển ứng dụng và đáp ứng nhanh tình trạng khẩn cấp. Sự linh hoạt này được cung cấp bởi một chế độkhai thác bao gồm hoạt động đa khoanh vùng hỗ trợ, chức năng lên đến 16 khuôn khổ biến điện khác nhau và lập trình đa tình trạng.
Các thông số hoạt động của SOM do module duy trì và không đòi hỏi thông tin riêng biệt với hệ thống kiểm tra trong suốt tình trạng khẩn cấp. Panel kiểm tra đơn giản phát tình trạng hệthống trên mạch vòng (Loop) tín hiệu SLC và SOMs làm những phần còn lại dựa vào định dạng thói quen.
Mỗi SOM cung cấp mạch riêng rẽ loại B được định mức 2.0 Ampe @ 30 DVC. Mỗi SOM đòi hỏi nguồn điện 24 Volt bổ sung cho SLC. Cung cấp phần mềm do LED kiểm tra chỉ định: đèn xanh lá và đỏ chớp khi cài thẻ, hoặc có thể được cài thẻ vào.
– Module đầu ra Hochiki DCP-SOM-AI dùng để cấp điện áp cho các thiết bị thông báo chuông, còi, đèn… khi trung tâm phát tín hiệu báo cháy.
– Module Hochiki DCP-SOM-AI và A phản ứng linh hoạt, nhanh chóng và chính xác trong các điều kiện khẩn cấp.
– Ở trạng thái bình thường đèn LED nháy xanh, sáng đỏ khi trung tâm phát tín hiệu báo cháy.
– DCP-SOM-AI có mạch cách ly còn DCP-SOM-A thì không có mạch này,
Hướng dẫn lắp đặt
Sơ đồ kỹ thuật module DCP-SOM-AI
Chân 24v+, 24v- : là 2 chân nguồn 24VDC
Chân OUT+, OUT- là 2 chân ngõ ra cấp nguồn cho chuông ..
Chân IN S+ , IN SC – là 2 chân tín hiệu (lấy từ tủ báo cháy)
Chân OUT S+ , OUT SC- là 2 chân tín hiệu ( kết nối với mô đun khác)
Chú ý: nếu kết nối thiết bị theo kiểu B thì phải chốt 2 chân 1 2 lại và phải có điện trở giám sát cuối thiết bị như trong hình.
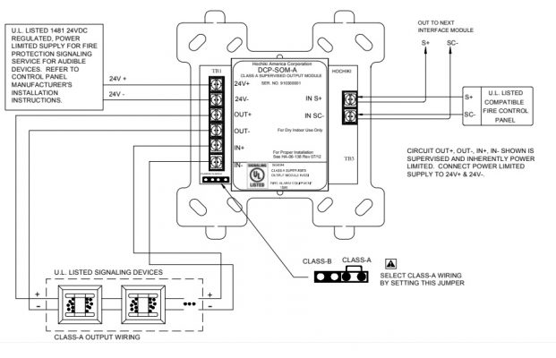
Sơ đồ kỹ thuật module DCP-SOM-A
Chân 24v+, 24v- : là 2 chân nguồn 24VDC
Chân OUT+, OUT- là 2 chân ngõ ra cấp nguồn cho chuông ..
Chân IN+, IN- là 2 chân ngõ vào
Chân IN S+ , IN SC – là 2 chân tín hiệu
Chú ý : nếu kết nối thiết bị theo mạch vòng thì phải chốt 2 chân jumper 3 4 lại như trong hình,
Trên đây là hướng dẫn lắp đặt 2 mẫu module điều khiển chuông DCP-SOM-A/AI của hochiki mà chúng tôi muốn gửi đến các bạn . Theo dõi chuyên mục hướng dẫn của chúng tôi để cập nhật những bài viết chi tiết khác về hệ thống báo cháy nói chung và trung tâm báo cháy hochiki nói riêng nhé!




